Ваш город:
Корзина Сантехника по брендам Лидеры продаж Акции Новинки Доставка Способы оплаты О компании Контакты +7 (343) 379-03-61
Терморегулятор для фанкойла ZigBee 230В Salus белый FC600

Терморегулятор для фанкойла ZigBee 230В Salus белый FC600

В наличии
Удобные способы
оплаты
Привезем гарантийный
талон, товарный
и кассовый чеки
Всегда актуальные
цены на сайте
Гарантируем безопасность всех переданных данных

Описание

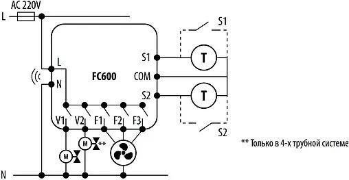
SALUS Терморегулятор для фанкойла FC600

Терморегулятор для фанкойла с регулировкой скорости вращения вентилятора

Основные свойства:

✔ устройство предназначено для управления:

  • фанкойлами в 2-х и 4-х трубных системах или блоками в системах центрального кондиционирования и вентиляции
  • внутрипольными и стеновыми конвекторами

✔ управление локальное (через регулятор) или удаленное (через приложение SALUS Smart Home)

✔ автоматическое или ручное управление скоростью вращения вентилятора: медленно, средне, быстро

✔ выполняет функцию репитера сети ZigBee

✔ многофункциональные дополнительные входы

✔ работа с системой Amazon ALEXA

✔ индикатор степени загрязнения воздушного фильтра