Поздравляем с Новым годом и Рождеством!!!
Ознакомиться с графиком работы розничных магазинов в праздничные дни можно здесь.
Все заказы на сайте принимаются в автоматическом режиме и будут обработаны в первый рабочий день!!!
Ваш город:
Корзина Сантехника по брендам Лидеры продаж Акции Новинки Доставка Способы оплаты О компании Контакты +7 (343) 379-03-61
Модульное реле 16A Salus PC RM-16A

Модульное реле 16A Salus PC RM-16A

Производитель: Salus
Коллекция: PC
Информация о товаре
В наличии
Удобные способы
оплаты
Привезем гарантийный
талон, товарный
и кассовый чеки
Всегда актуальные
цены на сайте
Гарантируем безопасность всех переданных данных

Описание

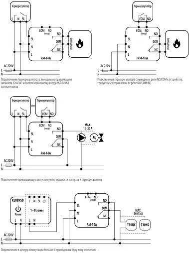
SALUS Модульное реле RM-16A

Модульное реле RM-16A при поступлении сигнала на один из своих входов переключает своё выходное беспотенциальное реле. Предназначено для подключения мощной (до 3.5 кВт) нагрузки, или оборудования требующего беспотенциального подключения с двумя видами реле (нормально открытого (NO) и нормально закрытого (NC).

Основные свойства:

  • совместная работа с терморегулятором 220V или с питанием от батареи для управления любым источником тепла
  • позволяет увеличить мощность подключаемой к терморегулятору нагрузи
  • снижение электрической нагрузки на клеммы центра коммутации или повышение количества термоэлектрических приводов, которые можно подключить к центру коммутации