Ваш город:
Корзина Сантехника по брендам Лидеры продаж Акции Новинки Доставка Способы оплаты О компании Контакты +7 (343) 379-03-61
Механический термостат с капиллярной трубкой Uni-fitt TR2 339I0915
Механический термостат с капиллярной трубкой Uni-fitt TR2 339I0915

Механический термостат с капиллярной трубкой Uni-fitt TR2 339I0915

Артикул: 339I0915
1 412 Р / шт
предоплата
Дата обновления цены: 16.10.2025
Сообщить о поступлении
В наличии
Удобные способы
оплаты
Привезем гарантийный
талон, товарный
и кассовый чеки
Всегда актуальные
цены на сайте
Гарантируем безопасность всех переданных данных

Описание

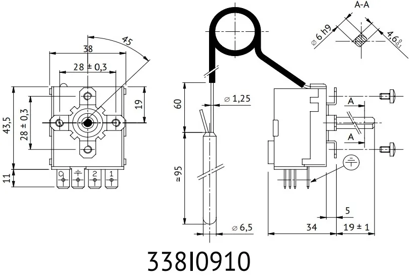
UNI-FITT Термостат капиллярный серии TR2

Назначение и область применения

Специальные термостаты предназначены для управления элементами гидравлических систем по встроенному температурному датчику (например, для контроля температуры в бойлере или в трубопроводе). Для управления необходимо электрическое подключение к управляемым устройствам (сервоприводам, насосам, котлам). Любое другое использование считается использованием не по назначению, при котором производитель ответственности не несет.

Технические характеристики

Характеристика 339I0915
Тип НЗ / НО
Тип коммутации
Реле
Коммутируемое напряжение 250В
Коммутируемый ток при коммутации НЗ / НО 16(6) / 6(4) А
Диапазон настройки температуры 0 ÷ 90 °С
Время реакции на изменения температуры воздуха 1°С /1 мин
Допустимое отклонение 4 ± 1 °С
Максимальная температура корпуса 85 °С
Температура хранения 0 ÷ 50 °С
Максимальная температура датчика 130 °С
Степень защиты корпуса
Класс защиты II
Способ монтажа В гильзу
Габаритные размеры (ДхШхВ) 55х38х54 мм
Длина выносного датчика температуры 1500 мм